Other Projects

Project Information

  • Category: Control System Design
  • Client: Industrial Control Course Project at K. N. Toosi
  • Start Date: January, 2022
  • Status: Completed

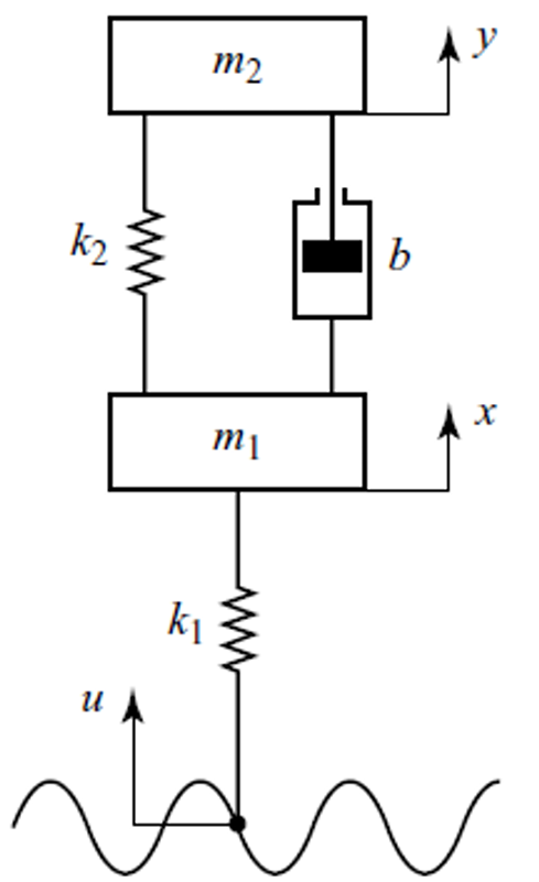
Controller Design for Suspension System

As part of my Industrial Control course, I designed a controller for a suspension system model using various methods, including Bode plot analysis, Ziegler–Nichols tuning, and frequency-based techniques. The controller was then simulated in MATLAB to assess its performance and stability. The project was well-received and earned full marks.

Project Information

  • Category: Embedded Systems
  • Client: Embedded System Course Project at K. N. Toosi
  • Start Date: October, 2021
  • Status: Completed

USART Communication Between AVR Microcontrollers

In another project, I worked on transmitting instrumentation data through USART communication between two AVR microcontrollers. The project was simulated in Proteus and then successfully built and tested in the lab, demonstrating reliable data transfer in real-world conditions.

New Image 1
New Image 2